Запчасти для снегоходов Polaris WIDETRAK LX INTL - S14SU4BEL Трансмиссия 2

Код
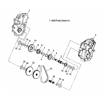
Наименование
1332463Asm-gearcase, Widetrak, Basic ([incl. 1-24 And All From Gearcase [1 Of 2] Page.] )Заказать
13234474Gearcase, Rh, WtЗаказать
23234174Gearcase, LhЗаказать
33233514Shaft, ReverseЗаказать
47556430Washer-thrust 1.187x1.50x.06Заказать
53233513Sprocket, 25tЗаказать
63514590Brg-needle Cage 30x35x13Заказать
77710606Ring-ret 1.188x1.098x.050Заказать
83233512Dog, Engagement, L/rЗаказать
97556433Washer-thrust 1.247x.992x.0650Заказать
103233511Gear, 39tЗаказать
113514589Brg-needle Cage 25x29x10Заказать
127556434Washer-thrust 1.265x.990x.125Заказать
133514304Bearing, 205, W/o Seal #6205Заказать
147710602Ring-ret Bsc Ext.984x.906x.078Заказать
153233515Gear, 18tЗаказать
167556432Washer-1.375x1.015x.042Заказать
177710603Ring-ret 1.023x.946x.042Заказать
183514594Brg-ball 6204 C3 20x47x14Заказать
195135972Spacer-1.375x.135x.162Заказать
203233521Shaft, OutputЗаказать
213221113Chain, Hyvo 66 P, 3/4wЗаказать
223233519Sprocket, 41t, 15t SplineЗаказать
233233518Gear, 47tЗаказать
245135973Spacer-1.375x.900x.353Заказать
Самые низкие цены на запчасти! Доступные цены на работы!
Дополнительные скидки. Все это мы можем сделать для Вас !
Читать далее...
Для наших Клиентов, имеющих в семье две или более единиц техники!
Читать далее...

Все новости →

Специальное предложение

Готовим мототехнику к новому сезону!!!!!

Позвоните — и узнайте особые предложения по ремонту и обслуживанию Вашей техники!

— Бесплатная диагностика на любую технику.

— Выгода 20% на первое посещение сервисного  центра.

Ремонт снегоходов и квадроциклов с выездом мастера.

— ТО на мототехнику от 1500 р.

Яндекс.Метрика
Разработка сайта — Сайт PRO
+7 (999) 392-00-00
+7 (999) 392-00-00