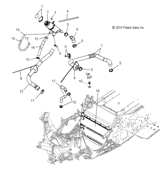
Запчасти для снегоходов Polaris 800 SWITCHBACK ASSAULT ALL OPTIONS -S12CL8/ CW8 Система охлаждения

Код
Наименование
11240169Cap-pressureЗаказать
17170063Decal-water Bottle CapЗаказать
22521004Weld-coolant Bottle 4 OutletЗаказать
37621472Заклепка (отпускается по 50 шт)Заказать
48450003-1525Line, Fuel, 1/4 Id(1525 Cm.) ([bulk Svc] )Заказать
57080844Clamp, Springband 35/12, BlkЗаказать
65414214Hose-tunnel Cooler/bottleЗаказать
75414036Hose-engine Out/tunnelЗаказать
75521510Tubing-convoluted 1.25"x3"Заказать
87080492Хомут пластиковый, 11 дюймовЗаказать
97080869Clamp-p, Cushioned, 1.25" I.d.Заказать
97512095ВинтЗаказать
107052452Thermostat-3.5 BypassЗаказать
105411521КольцоЗаказать
117080560Хомут шлангаЗаказать
125414044Hose-bottle/engine InЗаказать
137080534ХомутЗаказать
148450123-153Fuel Hse-5/16 Dp Sae J30r9 SvcЗаказать
157081692Springband-clamp 25/12Заказать
165413818Hose-center Cooler/bottleЗаказать
175414215Hose-bypass/center CoolerЗаказать
181240389Weld-cooler, Bulkhead ([requires Adhesive] )Заказать
Самые низкие цены на запчасти! Доступные цены на работы!
Дополнительные скидки. Все это мы можем сделать для Вас !
Читать далее...
Для наших Клиентов, имеющих в семье две или более единиц техники!
Читать далее...

Все новости →

Специальное предложение

Готовим мототехнику к новому сезону!!!!!

Позвоните — и узнайте особые предложения по ремонту и обслуживанию Вашей техники!

— Бесплатная диагностика на любую технику.

— Выгода 20% на первое посещение сервисного  центра.

Ремонт снегоходов и квадроциклов с выездом мастера.

— ТО на мототехнику от 1500 р.

Яндекс.Метрика
Разработка сайта — Сайт PRO
+7 (999) 392-00-00
+7 (999) 392-00-00