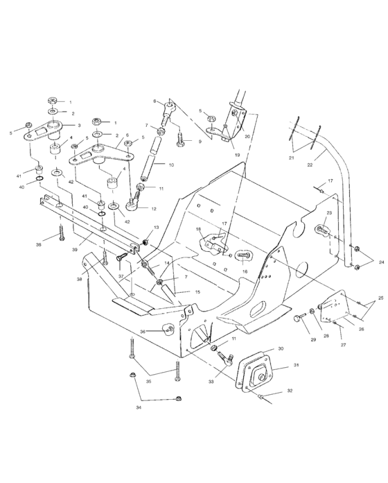
Регулятор (S00SR7ASA) для Polaris 700 RMK

Код
Наименование
1.7547029Nut, flexlocЗаказать
2.7555721Washer(10)Заказать
3.1820579Idler armЗаказать
4.5010468Кольцо/шайбаЗаказать
5.7542403Nut lock(10)Заказать
6.1822562Arm,pitman asm,Заказать
7.7542424Nut,lh (10)Заказать
8.7060164Rod end, lh.Заказать
9.7512404BoltЗаказать
10.5333411Rod,draglinkЗаказать
11.7542401Nut,hex,rh(10)Заказать
12.7060174Rod-end,rh,3/8,hi-angleЗаказать
13.7542411Nut,flexloc(10)Заказать
14.7061046Rod end,3/8-24,rh,longЗаказать
15.5132182Rod,tie, 8,82Заказать
16.7517428BoltЗаказать
17.7661638Rivet,interlock,b(50)Заказать
18.5241997Brkt,bolt retainerЗаказать
19.7080424Fitting, lubricationЗаказать
20.7542303Nut flex-locЗаказать
21.7080804Cable tie-releasable,5 1/2"Заказать
22.1013152-067Steering-hoop,weldЗаказать
23.7512275Bolt-carriageЗаказать
24.7542103Nut,flexlocЗаказать
25.7661130RivetЗаказать
26.1012618Stop, torqueЗаказать
27.7661079Rivet-3/16(,039-250)(50) *Заказать
28.7542404 ГайкаЗаказать
29.3021081Stop, torqueЗаказать
30.5411249Boot,tierod,modЗаказать
31.5211796-067Plate,boot,modЗаказать
32.7621323Pop rivet(50)Заказать
33.7061047Rod end-3/8,lh,high angle longЗаказать
34.7080689Plug,holeЗаказать
35.7517328БолтЗаказать
36.4020139Clip,rosebudЗаказать
37.7515434БолтЗаказать
38.7517574БолтЗаказать
39.1822479Rack asm,crcЗаказать
40.5411220ПрокладкаЗаказать
41.5010384Tube,spacerЗаказать
42.7556053ШайбаЗаказать
Самые низкие цены на запчасти! Доступные цены на работы!
Дополнительные скидки. Все это мы можем сделать для Вас !
Читать далее...
Для наших Клиентов, имеющих в семье две или более единиц техники!
Читать далее...

Все новости →

Специальное предложение

Готовим мототехнику к новому сезону!!!!!

Позвоните — и узнайте особые предложения по ремонту и обслуживанию Вашей техники!

— Бесплатная диагностика на любую технику.

— Выгода 20% на первое посещение сервисного  центра.

Ремонт снегоходов и квадроциклов с выездом мастера.

— ТО на мототехнику от 1500 р.

Яндекс.Метрика
Разработка сайта — Сайт PRO
+7 (999) 392-00-00
+7 (999) 392-00-00