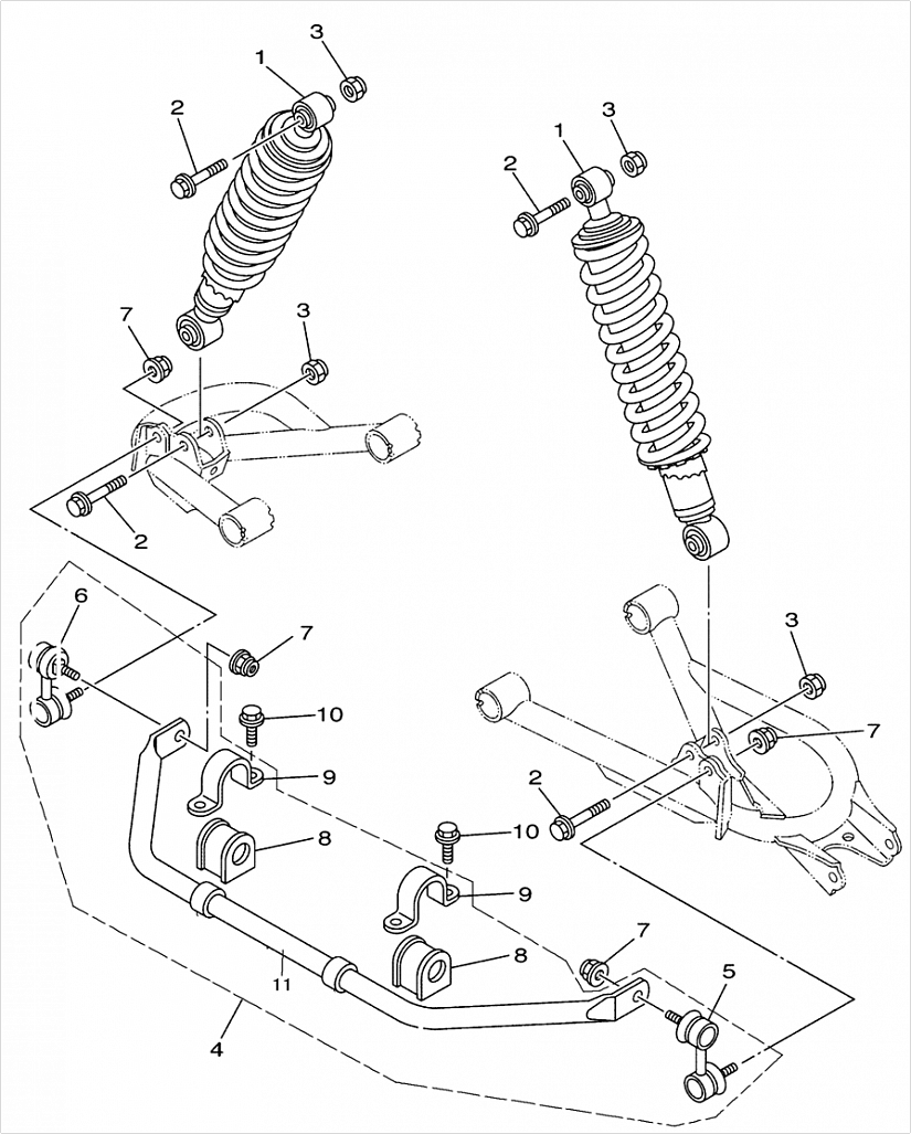
Стабилизатор поперечной устойчивости

Код
Наименование
1LU021983Амортизатор пружинно-гидравлический, заднийЗаказать
2LU014080Болт с фланцем M10х1.25х50/18мм , стальЗаказать
3LU018130Гайка самоконтрящаяся М10×1.25 ммЗаказать
4LU021984Стабилизатор поперечной устойчивости в сбореЗаказать
5LU021985Рычаг стабилизатора поперечной устойчивости, правыйЗаказать
6LU054718Рычаг стабилизатора поперечной устойчивости, правый (без гаек)Заказать
7LU021986Рычаг стабилизатора поперечной устойчивости, левыйЗаказать
8LU018130Гайка самоконтрящаяся М10×1.25 ммЗаказать
9LU021987Подушка штанги стабилизатора, резинаЗаказать
10LU021988Кронштейн подушки штанги стабилизатора, стальЗаказать
11LU021495Болт с фланцем M8х1.25х12мм , стальЗаказать
12LU021989Штанга стабилизатора поперечной устойчивостиЗаказать
13LU025308Штанга стабилизатора поперечной устойчивостиЗаказать
14LU026420Кольцо позиционное штанги стабилизатора поперечной устойчивостиЗаказать
Самые низкие цены на запчасти! Доступные цены на работы!
Дополнительные скидки. Все это мы можем сделать для Вас !
Читать далее...
Для наших Клиентов, имеющих в семье две или более единиц техники!
Читать далее...

Все новости →

Специальное предложение

Готовим мототехнику к новому сезону!!!!!

Позвоните — и узнайте особые предложения по ремонту и обслуживанию Вашей техники!

— Бесплатная диагностика на любую технику.

— Выгода 20% на первое посещение сервисного  центра.

Ремонт снегоходов и квадроциклов с выездом мастера.

— ТО на мототехнику от 1500 р.

Яндекс.Метрика
Разработка сайта — Сайт PRO
+7 (999) 392-00-00
+7 (999) 392-00-00