№ | Код | Наименование | |
|---|---|---|---|
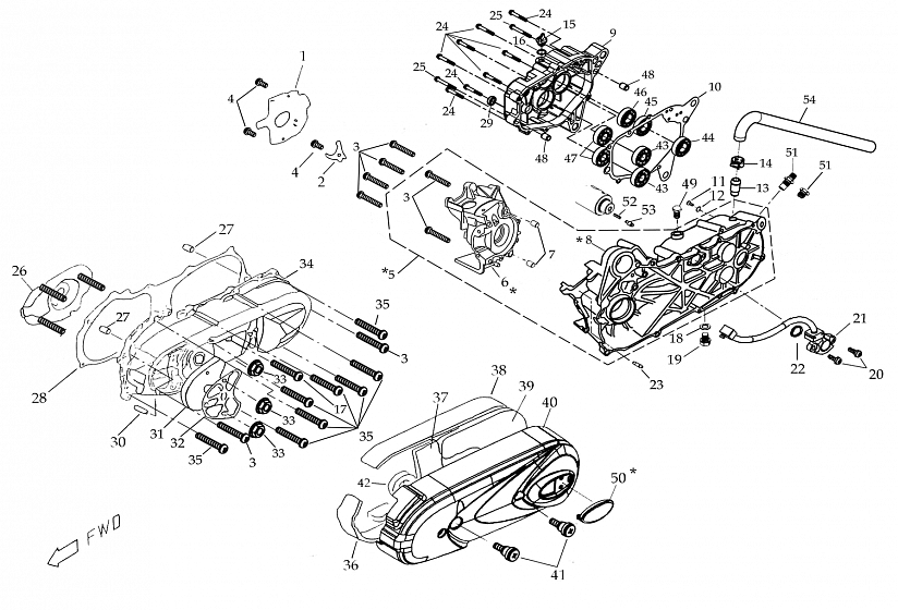
| 1 | LU021015 | Прокладка картера двигателя, паронит | Заказать |
| 2 | LU021016 | Фиксатор сальника, сталь | Заказать |
| 3 | LU021046 | Винт с крестообразным шлицем M6х1.0х35мм, сталь | Заказать |
| 4 | LU013880 | Винт с крестообразным шлицем M6х1.0х12 мм, сталь | Заказать |
| 5 | LU008359 | Картер двигателя в сборе, алюм. сплав | Заказать |
| 6 | LU008739 | Картер двигателя, правая половина, алюм.сплав | Заказать |
| 7 | LU014714 | Втулка направляющая 12X16мм, сталь | Заказать |
| 8 | LU034016 | Картер двигателя, левая половина, алюм.сплав | Заказать |
| 9 | LU034017 | Крышка редуктора, алюм. сплав | Заказать |
| 10 | LU008374 | Прокладка крышки редуктора, паронит | Заказать |
| 11 | LU019415 | Винт с крестообразным шлицем M6х1.0х10 мм, сталь | Заказать |
| 12 | LU014866 | Шайба 6.5х19х1.2мм, сталь | Заказать |
| 13 | LU021022 | Сапун картера двигателя, сталь | Заказать |
| 14 | LU008296 | Хомут 14мм, сталь | Заказать |
| 15 | LU021024 | Пробка маслозаливного отверстия M14х1.5х10мм, сталь | Заказать |
| 16 | LU014551 | Кольцо уплотнительное 13.8х2.4мм, резина | Заказать |
| 17 | LU021049 | Винт с крестообразным шлицем M6х1.0х65мм, сталь | Заказать |
| 18 | LU021051 | Шайба 12.2х20х2.0мм, сталь | Заказать |
| 19 | LU021025 | Болт-пробка сливного отверстия M12х1.5х15мм, сталь | Заказать |
| 20 | LU014744 | Винт с крестообразным шлицем M5x0.8x14мм, сталь | Заказать |
| 21 | LU021026 | Датчик включенной передачи (R,D) | Заказать |
| 22 | LU014968 | Кольцо уплотнительное 21x2.4мм (внешн.), резина | Заказать |
| 23 | LU021027 | Штуцер картера двигателя, сталь | Заказать |
| 24 | LU014133 | Болт с фланцем M6х1.0х40/20мм , сталь | Заказать |
| 25 | LU014561 | Болт с фланцем M6х1.0х50/20мм, сталь | Заказать |
| 26 | LU021028 | Пластина направляющая вентиляции вариатора, сталь | Заказать |
| 27 | LU015508 | Втулка направляющая 10х14мм, сталь | Заказать |
| 28 | LU021029 | Прокладка крышки вариатора, паронит | Заказать |
| 29 | LU021030 | Индикатор уровня масла в редукторе двигателя 20мм, пластик | Заказать |
| 30 | LU021031 | Ось промежуточной шестерни стартера 8х31мм, сталь | Заказать |
| 31 | LU021032 | Прокладка вентиляционного коллектора вариатора | Заказать |
| 32 | LU021033 | Коллектор вентиляционный вариатора | Заказать |
| 33 | LU021056 | Гайка с фланцем M6х1.0мм, сталь | Заказать |
| 34 | LU021034 | Крышка вариатора, алюмин.сплав | Заказать |
| 35 | LU013752 | Винт с крестообразным шлицем M6х1.0х25 мм, сталь | Заказать |
| 36 | LU021036 | Демпфер крышки вариатора 4, пенополиуритан | Заказать |
| 37 | LU021037 | Демпфер крышки вариатора 2, пенополиуритан | Заказать |
| 38 | LU021038 | Демпфер крышки вариатора 3, пенополиуритан | Заказать |
| 39 | LU021039 | Демпфер крышки вариатора 1, пенополиуритан | Заказать |
| 40 | LU021035 | Крышка вариатора декоративная, пластик | Заказать |
| 41 | LU021050 | Болт декоративный крышки вариатора M6х1.0х23мм, сталь | Заказать |
| 42 | LU021040 | Демпфер крышки вариатора 5, пенополиуритан | Заказать |
| 43 | LU016230 | Подшипник шариковый радиальный 6202 15х35х11мм | Заказать |
| 44 | LU018095 | Подшипник шариковый радиальный 6203 17х40х12мм | Заказать |
| 45 | LU014578 | Подшипник шариковый радиальный 6004 20х42х12мм | Заказать |
| 46 | LU015574 | Подшипник шариковый радиальный 6204 20х47х14мм | Заказать |
| 47 | LU021055 | Подшипник шариковый, радиальный 6302Z 15х42х13мм | Заказать |
| 48 | LU014714 | Втулка направляющая 12x16мм, сталь | Заказать |
| 49 | LU021048 | Болт- заглушка картера двигателя, сталь | Заказать |
| 50 | LU021044 | Накладка с логотипом DINLI | Заказать |
| 51 | LU021045 | Накладка декоративная без логотипа | Заказать |
| 52 | LU021047 | Болт - заглушка M15х1.0х10, сталь | Заказать |
| 53 | LU021043 | Втулка соединительная троса спидометра, сталь | Заказать |
| 54 | LU015049 | Пружина штока - индикатора включенной передачи (сжатие) | Заказать |
| 55 | LU015048 | Шток - индикатор включенной передачи, сталь | Заказать |
| 56 | LU021041 | Шланг вентиляции картера, резина | Заказать |